ステンレスプールは、工場製作から現場施工まですべて溶接施工している全溶接構造のプールで耐久性・耐震性・防水性に優れ、塗装やタイルなどの仕上げが可能です。また、ステンレスは加工性にも優れるため、様々な形状に対応が可能であると共にリサイクル可能な循環型社会に対応した素材であります。
その他、ステンレス製の水盤や浴槽など、ステンレスを用いた防水槽も施工しています。
PRODUCTステンレスプール
ステンレスプールは、工場製作から現場施工まですべて溶接施工している全溶接構造のプールで耐久性・耐震性・防水性に優れ、塗装やタイルなどの仕上げが可能です。また、ステンレスは加工性にも優れるため、様々な形状に対応が可能であると共にリサイクル可能な循環型社会に対応した素材であります。
その他、ステンレス製の水盤や浴槽など、ステンレスを用いた防水槽も施工しています。
ステンレス塗装プール
ステンレス浴槽
水盤
強制シャワー層
プール用金物
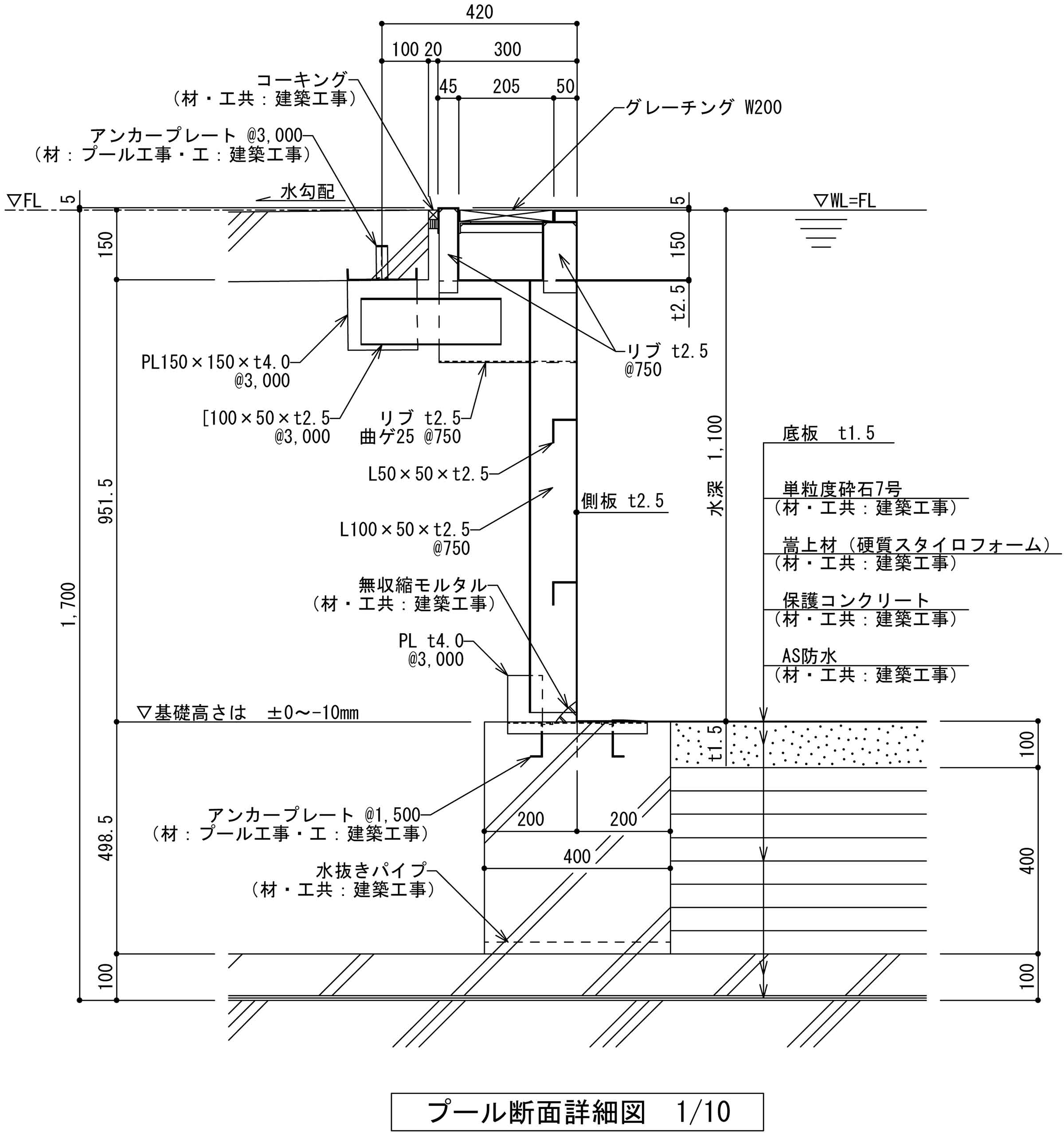
代表的なステンレスプールの仕上げとともに基本構造をご紹介。
塗装仕上げの場合
プール用塗装仕上げです。学校プールなどでは最も採用事例の多い仕上げとなります。
参考断面イメージ
タイル仕上げの場合
タイル仕上げです。ホテルやフィットネスなどの施設での採用事例が多いです。